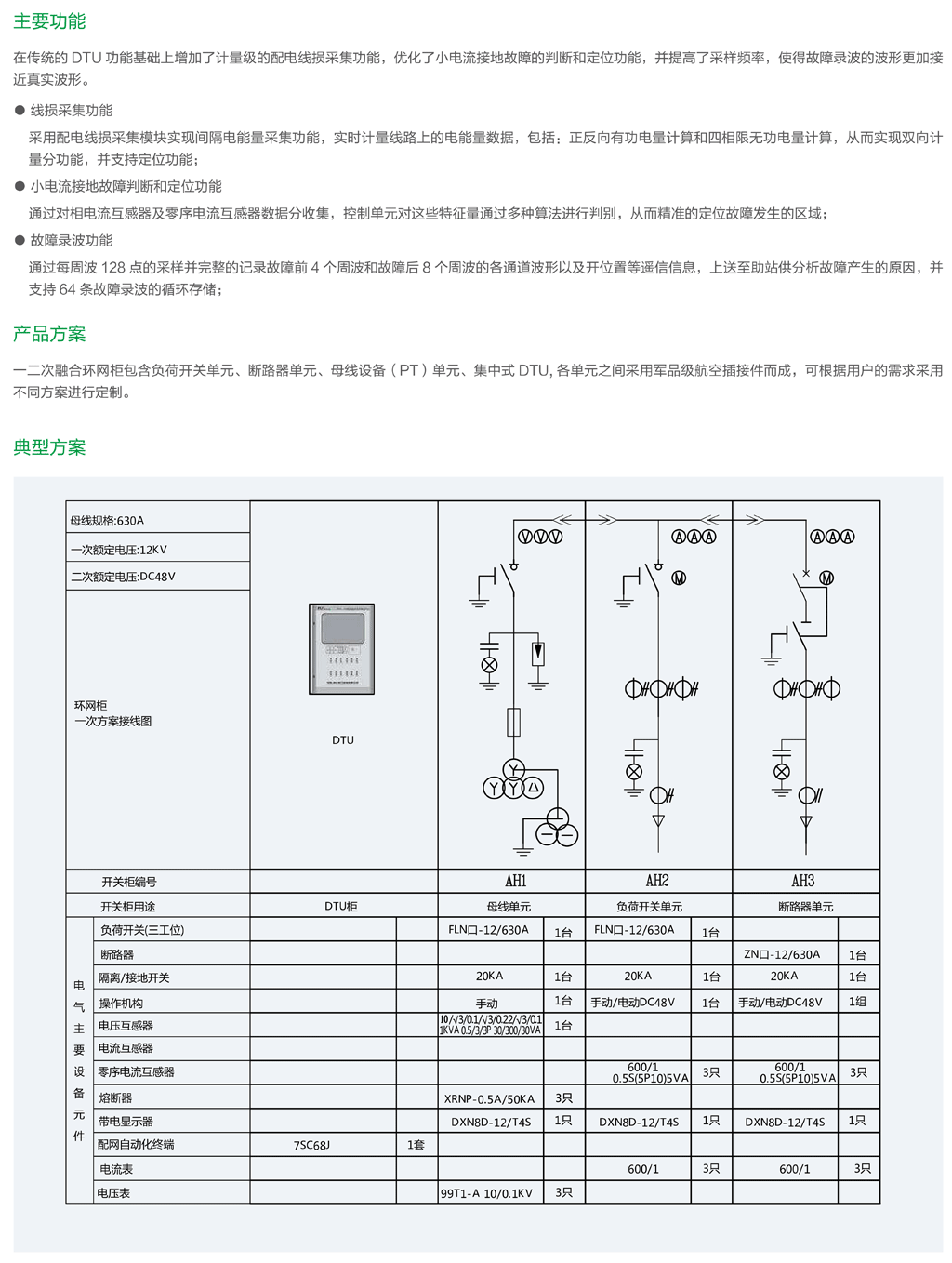
一二次融合环网柜是响应国家电网最新标准《配电一二次成套设备技术标准》要求推出的智能化成套设备,融合电磁式电压,电流互感器,电能计量模块,高速故障暂态滤波等先进技术的成套设备。由环进环出单元、馈线单元、母线设备(PT)单元、集中式DTU及连接电缆组成。能够采集有功功率、无功功率、功率因数、频率、零序电流和零序电压,具备线损计量、电能计量功能,以及线路有压鉴别,电压越限,负荷越限等告警上送,短路故障检测与处理,单相接地故障检测与处理功能,支持短路/接地故障事件上送,以满足配网自动化需求。

小程序
公众号
电子样本