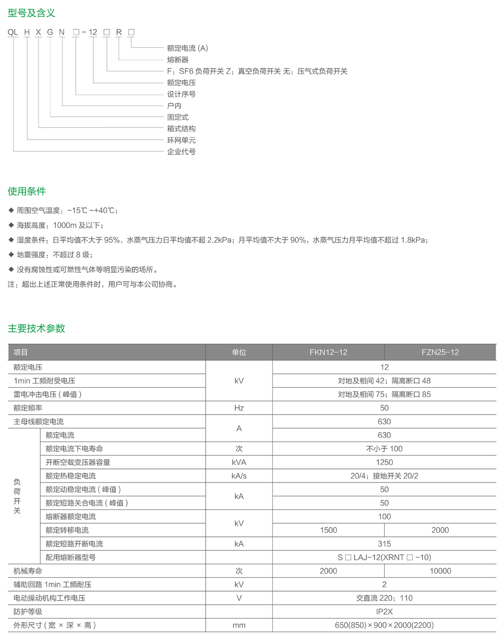
QLHXGN□-12交流金属环网开关设备(负荷开关)(简称环网柜),是为城市电网改造和建设需要而生产的新型高压开关设备。在供电系统中亦作为开断负荷电流和短路电流以及关合短路电流之用,本环网柜配用FZRN25、FZRN21真空负荷开关,操作机构为弹簧机构,该机构既可手动操作,也可电动操作。接地开关和隔离刀配用手动操作机构,本环网柜成套性强、体积小、无燃烧和爆炸危险,还具有可靠的”五防”功能。
本环网柜符合GB3906《3-35kV交流金属封闭开关设备》、IEC60420《高压交流负荷开关熔断器组合电器》标准的有关规定。

小程序
公众号
电子样本