close
首页>产品中心>低压电气系列
低压电气系列
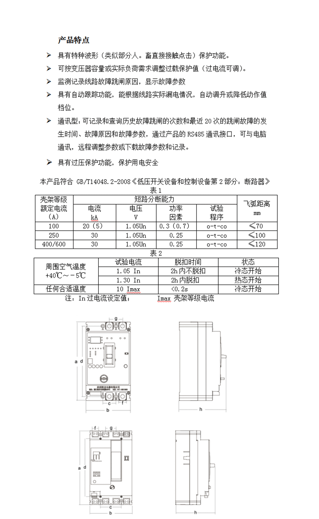
QLLT/QLLT-160系列剩余电流动作断路器
产品介绍

QLLT系列剩余电流动作断路器是本公司研发的新一代机电一体化产品,该产品能将相地之间类似部分人、畜直接接触电击的特波电流从电气线路与用电设备对地漏电的剩余电流中分离出来,从而实现特波保护功能,此技术获国家发明专利。 QLLT-160/2系列剩余电流动作断路器是本公司研发的新产品,是针对二级漏电保护应用而形成的。该产品应用了特波保护技术,可有效的缩小漏电故障引起的停电范围,提高供电可靠性和安全性。

11.png